What is an Air Shaft?
Air Shafts, also commonly known as Air Bars or Air Mandrels, are used in the manufacturing processes for fitting into a core onto which materials such as paper, card and plastic film are wound. An Air Shaft is designed so that, on fitting into a core, it can be readily expanded, thereby achieving a quick and firm attachment. It may also be easily deflated to facilitate easy withdrawal of the shaft after winding of product is complete. Their efficient design makes them ideal for mounting onto bearing housings to enable the winding or unwinding of rolls of stock material with the minimum of equipment down time. The advantage of using an Air Shaft is its ability to grip the core, without damage, whilst providing a positive interface to control the web via motors and brakes. Air Shafts are available as either Lug Type (with bladder down the centre) or Strip Type (bladders on the periphery of the shaft).
Air Shaft / Air Bar Applications
Applications for Air Shafts & Air Bars generally fall into the following uses:-
|
Continuous Core
|
Cantilever Air Shaft/ Air Bar
|
Multi-Slit Air Shaft/ Air Bar
|
||
![]() |
![]() |
![]() |
||
|
For standard unwinding & rewinding applications. Lugs are spread apart, symmetrically along the length of the Air Shaft body |
Ideal for Narrow slitting or single cores. Makes handling of reels easier on changeover. |
Overlapping/meeting lugs are used to supply continuous gripping for multi-slitting applications |
||
|
Duplex Slitting
|
||||
![]() |
||||
| A pair of shafts employed in tandem winding reel alternatively. Load on shafts are reduced by 50%, eliminating interleaving | ||||
Lug Type Air Shafts/ Air Bars

Lug type Air Shafts and Air bars are the most popular and versatile of the types of Air Shafts. They are available in sizes ranging from 11mm to over 300mm, manufactured in Aluminium, Steel and Carbon Fibre where applicable. Shafts are bespoke and manufactured to the customer’s requirements to suit new or existing machinery. They are economical to repair and maintain, with a wide range of spares held on-site for immediate despatch.
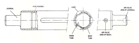
Construction of a Lug type Air Shaft
A Lug type Air Shaft can be best explained as metal tube with slots cut out of it with a sealed rubber tube inside which expands to push out Rubber or metal lugs which grip the core. The journals are fitted in each end of the tube to suit the machine dimensions. The diagram below shows the general parts used in a Lugshaft:-

Leaf Type Air Shafts
A leaf Airshaft is recommended when thin wall cores requiring sensitive but positive gripping are to be used. The design ensures a high level of concentricity is maintained and core distortion kept to a minimum, achieved by 360° gripping of the core, with the leaves being machined to suit the core diameter when expanded.
Antech Converting can supply these shafts with Aluminium or Steel leaves, depending on the application.
This Leaf shaft can also be used for coreless applications, where there is a requirement to wind the material directly on to the shaft. The standard leaf shaft design is modified to incorporate a bar along the length of the shaft to trap the web.
Strip Type Air Shafts
Our high quality Extruded Aluminium Air Shafts have a high strength-to-weight ratio, therefore substantial weight savings are achievable when compared to conventional Aluminium or Steel Air Shafts. This, in many cases, replaces the need for high cost Carbon Fibre shafts. The multi-bladder design offers many features including the benefit of low air volume for quick inflation and deflation. Continuous gripping lugs make the shafts ideal for both multi-slit and continuous core applications, whilst providing quick and easy maintenance, without the need for special tools.
2009 Series Ultra-Lightweight 3”/75mm Con-ex Air Shafts
This is one of the lightest Air Shafts available on the market and is suitable for light and medium loads. The strength is in the unique design of the extrusion that allows the shaft to carry substantial loads on a very low weight shaft. This makes it suitable for the packaging industry where there is considerable operator interface and offers improved efficiencies and considerable savings in production costs can be achieved.
2004 Series Lightweight 3”/75mm Con-ex Air Shafts
Available for 3” core size applications, the 2004 series shaft provides increased weight carrying capacity and torque transmission, whilst retaining maximum stiffness and excellent strength to weight ratio for both single core and multi-slit applications. With its increased cross sectional area, coupled with additional gripper lugs, means that this shaft has a higher weight carrying capability.
2012 Series Lightweight 6”/150mm Con-ex Air Shafts
As with all the Con-ex shafts the 6” Air Shaft has superb strength to weight ratio. The design of the shaft makes the 2002 Series easier to maintain than its Lugshaft counterparts and utilises numerous interchangeable parts within the Con-ex range. The shaft is also designed so there is no need for self-centring strips
All the shafts are available In-line and Not In-line and depending upon the application, and are available with Rubber, Steel or Aluminium lugs. Our comprehensive range of Extruded Strip Shafts, available from 2” up to 8” diameter, are available for all winding and unwind applications, including:-
- In-line and Not in-line applications
- Cantilevered
- Continuous live air supply and direct inflation via valve
- Hard Anodising
- Coloured Anodising
If you require any assistance with your application our team of experienced Sales Engineers will provide a comprehensive on-site service, to survey the requirements and recommend a suitable solution.
Design & Performance Program
To ensure our Air Shafts meet the customers’ requirements, we worked with an external consultancy company to compile a program that checks the maximum deflection and stress in the Air Shaft for any given parameters.
The layout below shows the various parameters that can be checked within our program:-

For further details on our range of Airshafts & Airchucks please Click Here




